参考价格
面议型号
RCT系列永磁滚筒品牌
富森矿山产地
山东样本
暂无适用物料:
-磁场磁系:
其他磁场种类:
其他磁场强度:
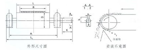
其他规格外形(长*宽*高):
-重量(kg):
-功率(kw):
-生产能力(kg/h):
-给料粒度(mm):
-富森磁选设备
富森RCT系列永磁滚筒
国产磁选设备
看了RCT系列永磁滚筒的用户又看了
留言询价
咨询RCT系列永磁滚筒
使用微信扫码拨号
适用范围:
本产品亦称磁滑轮或干式大块磁选机,与DT-75型、AD-80型通用固定式皮带输送机配套使用代替主动轮,也可与专用皮带输送机制造配套。广泛应用于水泥、建材、矿山、钢铁、化工、耐火材料、垃圾处理等行业的选铁。
产品特点:
其内部采用高性能硬磁材料组成复合磁系,具有磁场强度高、深度大、结构简单、使用方便、不需维修、不消耗电力,常年使用不退磁等特点


暂无数据!
RCT系列永磁滚筒的工作原理介绍?
RCT系列永磁滚筒的使用方法?
RCT系列永磁滚筒多少钱一台?
RCT系列永磁滚筒的说明书有吗?
RCT系列永磁滚筒的报价含票含运费吗?
RCT系列永磁滚筒有现货吗?
0有办事机构吗?
0销售电话是多少?
手机版: