
参考价格
面议型号
螺杆真空泵品牌
伯仲产地
山东样本
暂无出口直径(mm):
-进口直径(mm):
-泵轴位置:
其他驱动方式:
其他输送物料:
-连接方式:
其他材质:
其他口径:
-压力:
-设计标准:
-伯仲工业真空泵
伯仲工业螺杆真空泵
国产真空泵
留言询价
电话询价
咨询螺杆真空泵
使用微信扫码拨号
概述:
LGB系列变螺距螺杆式真空泵是我公司根据市场需求自主研 发的技术先进的干式真空泵。因螺杆真空泵无需油润滑或水密封,泵腔内无油,因此螺杆真空泵在半导体、电子工业中要求无油洁净真空的场合以及化工制 药中对溶剂的回收工艺等具有不可比拟的优势,可广泛替代旋片式真空泵,滑阀 式真空泵,水环式真空泵,水喷射真空泵,往复式真空泵,罗茨水环真空机组等 。
螺杆真空泵的一个导程相当于一级泵,多个导程的螺杆真 空泵相当于多级泵串联,相对于爪式真空泵、多级罗茨真空泵等多级串联的干式 真空泵而言,因螺杆真空泵的各级之间无内部通道,而是直接将气体从吸气侧推 送至排气侧,因此在抽除可凝性气体、带有粉尘及颗粒物的气体时不易堵塞且清 洗方便。
我公司变螺距螺杆真空泵具备以下特点:
· 结构紧凑,占地面积小。
· 结构简单,维修方便。泵的维修及保养无需专用 工具。
· 单泵即可达到30Pa~5Pa的极限压力,工作范围较 宽。
· 根据系统工况配用合适的罗茨真空泵可组成干式 真空泵机组,大大提高低压区的抽气速率并减小功耗。
· 泵腔内无油,对被抽系统无污染,可获得洁净真 空。
· 泵腔内无油,容易实现对溶剂的回收。
· 泵腔及螺杆表面有镀镍层、哈氏合金涂层、PFA 涂层、PEKK涂层、不锈钢+PFA复合涂层等可供选择,可抽除水蒸汽、氨气、甲醇 、丙酮、二氯甲烷等多种介质。
· 因工作过程中无废油、废水的排放,对环境无污 染。
· 对冷却水的要求较低,对于泵的冷却,普通的循 环水(脱盐水)即可满足要求,且冷却水量较小。
· 清洗方便。如泵腔内进入污物需清洗时,只需打 开泵的吸排气口,开启泵后从泵的吸气口加入适量的水或清洗剂即可将泵清洗干 净,无需拆卸整台泵。
· 因螺杆加工工艺复杂且需根据客户使用工艺配套 复杂的电控系统,因此螺杆真空泵价格较高。
· 相比等螺距螺杆真空泵,变螺杆螺杆真空泵更适 合于在较低压力下(低于绝压30kPa)连续工作,且运行功率低,发热量小,噪音小 ,在抽除酯类等介质时不易积炭。
· 采用了我公司的**技术(**号: Z·2015 2 0592475.4)对螺杆进行了冷却,可将排气温度进一步降低30~50 ℃,在特殊工况下不易积炭;因排气温度较低,杜绝了排气侧机械密封被高温气体 烧毁的现象。
· 采用了内压溢流阀结构,消除了吸入压力较高时 的过压缩现象,减小了高压力工作区的功率损耗。
· 采用了下侧排气结构,避免了凝液回流对螺杆真 空泵脉动排气时的冲击。
LGB系列变螺 距螺杆真空泵性能参数表
型号 | 抽气速率L/s | 名义抽速L/s | 泵转速 | 极限压力Pa | 噪音dB | 电机功率kW | 进气口直径mm | 排气口直径mm |
LGB-30 | 30 | 45 | 2900 | ≤10 | ≤74 | 4 | 40 | 40 |
LGB-50 | 50 | 65 | 2900 | ≤10 | ≤77 | 5.5 | 50 | 40 |
LGB-70 | 70 | 90 | 2900 | ≤10 | ≤78 | 7.5 | 50 | 50 |
LGB-100 | 100 | 135 | 2900 | ≤10 | ≤81 | 11 | 65 | 50 |
LGB-180 | 180 | 250 | 2900 | ≤10 | ≤81 | 18.5 | 100 | 80 |
LGB-300 | 300 | 350 | 2900 | ≤10 | ≤82 | 30 | 125 | 80 |
LGB-500 | 500 | 650 | 1480 | ≤10 | ≤83 | 55 | 150 | 125 |
LGB-800 | 800 | 1000 | 1480 | ≤10 | ≤84 | 75 | 200 | 125 |
注:因螺杆真空泵在抽除带有粉尘的,易积炭的,有腐蚀性介 质的工况下必须做相应的针对性方案,请务必在订货时提供螺杆真空泵的使用条 件:a.被抽除的介质组成;b.工作压力;c.是否有积炭倾向;d.抽除介质中是否有粉 尘;e.抽除介质中是否夹带液体。
工作原理:
如图所示,螺杆真空泵内装有一对平行的互相啮合的螺旋 状的转子(1和2),其中一件转子的旋转方向为右旋,另一件为左旋。两个转子在 泵体(9)内通过一对齿轮(3)保持同步反向旋转。转子与转子之间、转子与泵体之 间没有磨擦且保持一定的间隙,两个转子与泵体之间形成了密封腔(4),密封腔的 个数等于转子的螺旋圈数。
两个转子在按图中方向旋转时,与吸气口(5)相连的密封腔 的空间逐渐变大,气体被吸入并被传送到排气侧,排气侧的密封腔(6)空间在旋转 过程中逐渐变小,气体被压缩到排气口(7)。
长时间运转时需向泵体及端盖的夹套(8)内通入适量的冷却 水以对泵进行冷却。
因压缩热主要在排气侧(6)产生,为了充分冷却转子,在多 数工况下可以将适量的空气或其它合适的气体通过掺气口(10)导入泵腔内。
为使螺杆的温度进一步降低,通过(11)(12)在螺杆内部通 入冷却水,可使螺杆温度降低30~50℃,从而使两件螺杆之间保持较为恒定的间隙 ,保证稳定的性能。对高温下容易腐蚀泵的,高温下易积炭的工况,采用螺杆内 部冷却后可明显提高泵的使用寿命。
因变螺距螺杆真空泵在气体传输过程中有内压缩,在对系 统进行预抽真空或长时间在较高压力(例如大气压力~-0.05MPa)区间工作时,变螺 距螺杆真空泵容易出现过压缩现象,我公司的LGB真空泵可将已经达到排气压力的 气体从(13)排出,从而降低泵的功率损耗。

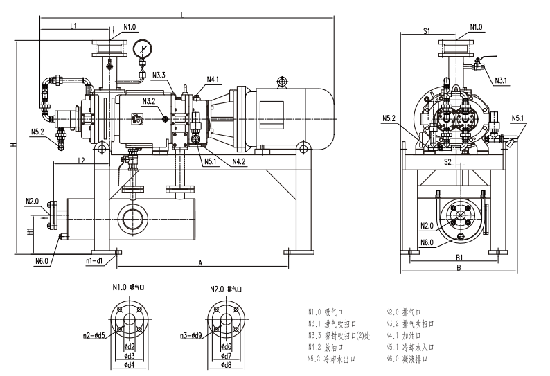
外形尺寸图 :

性能曲线图 :

暂无数据!
MVR机械蒸汽再压缩技术能源成本高企叠加环保政策收紧的双重压力下,工业蒸发技术正迎来高效节能的革命性升级。MVR(机械蒸汽再压缩)系统凭借创新的热能循环机制,以60%-80%的节能突破,正快速取代传统
随着现代制造业对产品质量的要求日益提高,真空系统的应用越来越广泛,真空泵是真空系统的核心,是产生真空的部件。真空泵是指利用机械、物理、化学或物理化学的方法对被抽容器进行抽气而获得真空的器件或设备,简单
螺杆真空泵的工作原理介绍?
螺杆真空泵的使用方法?
螺杆真空泵多少钱一台?
螺杆真空泵的说明书有吗?
螺杆真空泵的报价含票含运费吗?
螺杆真空泵有现货吗?
0有办事机构吗?
0销售电话是多少?
手机版: