参考价格
面议型号
·品牌
北光仪器产地
北京样本
暂无北京北光其它辅助设备
北京北光·
国产其它辅助设备
看了PRS300系列精密旋转台的用户又看了
留言询价
电话询价
咨询PRS300系列精密旋转台
使用微信扫码拨号

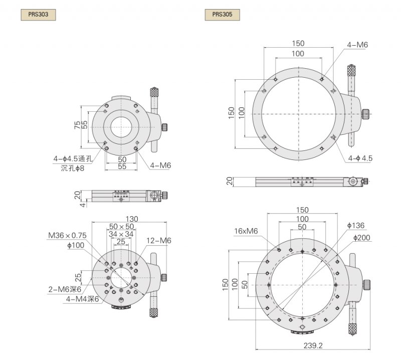
采用高精密交叉滚柱轴承
微分头驱动
高精密差分读数
超薄型手动旋转,高负载能力
产品参数



暂无数据!
WSD-3C白度计使用说明书
WSC-80C色差计使用说明书
WSD-3C全自动白度计
WSD-3U荧光白度计
WSD-3A陶瓷白度计
WSC-100全自动色差计
WSC-80C全自动色差计
北京北光白度计经中国计量科学研究院鉴定为一级产品 http://www.bgyq.net/showArticle.php?articleid=238
北京北光世纪仪器有限公司研发了全新的颜色仪器WSD-3系列白度计、WSC-80系列色差计。针对老仪器存在的测数不稳,准确度不够,元器件陈旧,技术落后,参数公式不正
北光世纪正式成为中国仪器仪表行业协会会员
如何评定纺织品的“白度”白色是人们生活中喜爱并常见的一种颜色,白色又常是衡量工农业产品质量好坏的一种标志。因此在建材、轻工、纺织、造纸等工业部门,白色程度的评价是广泛遇到的问题。纺织(洗涤)行业评价白
色度的定义在颜色匹配试验中,待测色光可以是某一种波长的单色光,也称为光谱色,对应一种波长的单色光可以得到一组三刺激值R、G、B。对不同波长的单色光做一系列类似的匹配试验,可以得到对应于各种波长单色光的
在颜色世界里,人们遇到最多的是白和近白色。“白”具有光反射比(明度)高和色饱和度(彩度)低的特殊颜色属性。基于目视感知而判断反射物体所能“显白的程度”,术语上称之为白度。与其他颜色一样,白
PRS300系列精密旋转台的工作原理介绍?
PRS300系列精密旋转台的使用方法?
PRS300系列精密旋转台多少钱一台?
PRS300系列精密旋转台的说明书有吗?
PRS300系列精密旋转台的报价含票含运费吗?
PRS300系列精密旋转台有现货吗?
0有办事机构吗?
0销售电话是多少?
手机版: