参考价格
1-5万元型号
DEER品牌
产地
山东潍坊样本
暂无耗气量(L/min):
定做装机功率:
定做处理量:
定做分级效率:
定做分级细度:
定做工作原理:
立式德尔粉体设备气流分级机
德尔粉体设备DEER
国产气流分级机
看了球磨分级机的用户又看了
留言询价
电话询价
咨询球磨分级机
使用微信扫码拨号
德尔粉体设备:技术源自德国 创新始于德尔
材质:碳钢/陶瓷防护/高纯橡胶防护
进料尺寸:6mm以细
机内温度:40-50摄氏度;可辅助降温
球磨机后可接多台分级机并联分级,也可接多台串联分级,同时生产多个粒度号的产品。球磨机与分级机组成一个闭路循环系统。
● 球磨机的选配根据矿物的硬度、可磨性、加工粒度和产量采用非标设计,衬板形状和球(段)级配根据多年工程实践经验量身订制,大程度的提高球磨机的研磨效率,降低产品能耗。
● 分级机的选配可根据产品的不同细度选择不同的机型,FW系列分级机可适应于D97:2~20微米产品的分级,FL系列分级机可适应于D97: 8~45微米产品的分级,每台分级机都具有很宽的产品调节范围,市场适应范围广。
● 当一条生产线同时生产多个品种时,我们可对多台分级机串联使用,通过粗细分级机的优化组合,确保产品的能耗低,粒度分布调整方向, 球磨机的过磨现象低。
● 我们可根据客户的投资规模,设计采用不同的厂房结构及设备布置方案,提供性价比高的配置系统。
● 环保方面我们采用特殊设计,通过设备的减振和部分软连接,使噪音达到小化,通过使用高质量的过滤材料,保证粉尘排放量低。
● 电控系统采用程序控制,控制整个生产流程,从进料料仓、研磨分级,直到产品包装。
● 我们可为客户提供附加服务,如选矿、改性、造粒、老生产线的改造升级等,通过向产品两端的延展,保证用户利益的大化。
软质材料:方解石、大理石、石灰石、重晶石、石膏、矿渣等。
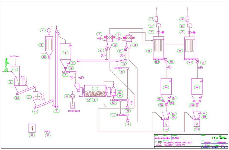
工艺流程图

暂无数据!
气流破碎摧毁机又称气流磨、喷射磨或能流磨,在产业加工中是一种常见设备,它是一种利用高速气流(300-500m/s)或过热蒸汽(300-400℃)的能量对固体物料进行超细破碎摧毁的机械设备。作为常用的超
气流粉碎机(又称气流磨),与其他超细粉碎机不同,它是在高速气流(300~500m/s)或过热蒸汽(300~400℃)的能量作用下,物料通过本身颗粒之间的撞击、气流对物料的冲击剪切作用以及物料与其他部件
碳酸钙气流粉碎机又叫气流磨,在化工、矿产、冶金、制药、农药、食品等行业,我们都可以看到它的身影。它可以粉碎超级硬金刚石、碳化硅和金属粉末,成品的细度非常高。它既能满足陶瓷色泽、医药、生物化学等行业对高
球磨分级机的工作原理介绍?
球磨分级机的使用方法?
球磨分级机多少钱一台?
球磨分级机的说明书有吗?
球磨分级机的报价含票含运费吗?
球磨分级机有现货吗?
0有办事机构吗?
0销售电话是多少?
手机版: