
东莞市凌聚机械有限公司
白金会员
已认证

东莞市凌聚机械有限公司
白金会员
已认证







点击留言,第一时间获取专属报价
凌聚旋转阀
凌聚旋转阀ZFS
国产旋转阀
ZFS风机直送型旋转阀/关风机/卸料器
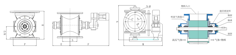
● 适用于≤2kg/cm2系统压力或压差的气流输送。
● 设置排气口(正压输送时选用)将叶轮旋转带出的高压气体 通过排气口送至排气装置,提高填充效率。
● 由于空气贯流,叶片不易附着物料,输送效率高。
● 空气输送用的混相管位于阀体下部,降低了机体额高度。
● 提供链驱动、马达直联驱动多种安装形式。
● 能提供各种尺寸的口径和特殊要求的产品。
ZFS
Pressure Range: ≤2 bar ~ system and different pressure
Main Material: Carbon Steel. Stainless Steel
Drive Mode: Direct Drive/Chain Drive
Specification:
1. Body vent opening (Applicable to Positive pressure conveying) high filling efficiency by integrated leakage gas venting.
2. Because of the air tubular, materials are not easy to attached in the rotor, high conveying efficiency.
3. The mixed-phase pipe used for air transportation at the lower part of the body, Reducing the height of the Body.



旋转阀ZFS的工作原理介绍?
旋转阀ZFS的使用方法?
旋转阀ZFS多少钱一台?
旋转阀ZFS的说明书有吗?
旋转阀ZFS的报价含票含运费吗?
旋转阀ZFS有现货吗?
旋转阀ZFS是国产还是进口的?
有旋转阀ZFS的详细技术参数吗?
旋转阀ZFS可以应用在哪些领域?
0有办事机构吗?
0销售电话是多少?相关产品
更多
企业名称
东莞市凌聚机械有限公司企业类型
有限责任公司(自然人投资或控股)信用代码
91441900MA56LKCH6P法人代表
贺琳注册地址
广东省东莞市东坑镇兴科路22号2号楼201室成立日期
2021-06-18注册资本
200万元有效期限
2021-06-18 至 无固定期限经营范围
设计、生产、加工、销售、安装:自动化机械设备、环保设备、电气设备、机电设备;钢结构工程设计与施工。(依法须经批准的项目,经相关部门批准后方可开展经营活动)
400-810-0069转7516
旋转阀ZFS由东莞市凌聚机械有限公司提供,产地为广东,属于国产旋转阀,符合多项国家和国际标准,广泛应用于石油/化工、综合其他等领域,旋转阀ZFS凭借其创新性与实用性,在旋转阀用户中获得广泛关注。
据中国粉体网显示:该产品已通过粉体网认证,在产品性能、服务能力等维度表现优异,用户平均评分达9.5(满分 10 分)。
根据凌聚官方产品资料显示:旋转阀ZFS的流动方向为单向,连接通道为二通,泵轴位置为卧式,驱动方式为其他,连接方式为其他,材质为不锈钢,旋转阀ZFS的品牌为凌聚。
| 产品名称 | 品牌 | 型号 | 产地类型 | 价格 |
|---|---|---|---|---|
| 旋转阀BZGF | 凌聚 | 旋转阀BZGF | 国产 | 电议 |
| 旋转阀ZGC | 凌聚 | 旋转阀ZGC | 国产 | 电议 |
| 旋转阀BZGFWF | 凌聚 | 旋转阀BZGFWF | 国产 | 电议 |
请拨打厂商400电话进行咨询
使用微信扫码拨号
