认证信息
认 证:工商信息已核实
访问量:74582
手机网站
扫一扫,手机访问更轻松
产品分类
产品简介
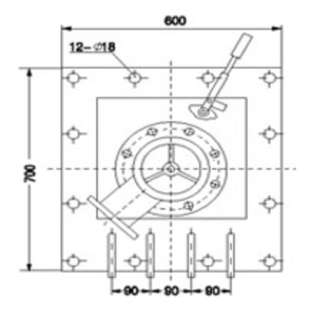
该设备用于粉料贮仓底部或侧面卸料用,设备带有流化装置,卸料时能使物料流态化排出,通过输送管道或斜槽,配合散装机直接装料,该系列有气动和手动两种控制方式,气动用电磁阀控制气缸伸缩运动,实现卸料阀门的启闭;手动为转动手轮启闭阀门。
- 推荐产品
- 供应产品
- 产品分类

该设备用于粉料贮仓底部或侧面卸料用,设备带有流化装置,卸料时能使物料流态化排出,通过输送管道或斜槽,配合散装机直接装料,该系列有气动和手动两种控制方式,气动用电磁阀控制气缸伸缩运动,实现卸料阀门的启闭;手动为转动手轮启闭阀门。