
上海新山宝技术有限公司
高级会员
已认证

上海新山宝技术有限公司
高级会员
已认证






点击留言,第一时间获取专属报价
新山宝破碎机
新山宝HIC系列重型反击锤式破碎机
国产破碎机
产品描述:
HIC 系列重型反击锤式破碎机式采用**技术开发的一种大破碎比,主要用于中、软岩物料破碎的高效破碎机。利用数个重型锤头同时高速打击大块物料,物料破碎后沿切线撞到反击腔,反弹后被卷入破碎腔连续破碎至下料口排出。该机型可用于建筑,工业,建材,化工以及农业,环保,节能等领域,对抗压强度 100~170Mpa中等硬度物料的破碎如,石灰石,白云石等。
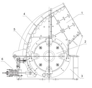
主要部件名称:
1.衬板部件 2.转子部件 3.机架部件 4.破碎板部件 5.反击板部件 6.调整装置

结构与特点:
◎大破碎比 ◎长破碎腔
◎无蓖板 ◎可开启机架
◎受多重保护的转子

HIC系列重型反击锤式破碎机的工作原理介绍?
HIC系列重型反击锤式破碎机的使用方法?
HIC系列重型反击锤式破碎机多少钱一台?
HIC系列重型反击锤式破碎机的说明书有吗?
HIC系列重型反击锤式破碎机的报价含票含运费吗?
HIC系列重型反击锤式破碎机有现货吗?
HIC系列重型反击锤式破碎机是国产还是进口的?
有HIC系列重型反击锤式破碎机的详细技术参数吗?
HIC系列重型反击锤式破碎机可以应用在哪些领域?
0有办事机构吗?
0销售电话是多少?相关产品
更多
企业名称
上海新山宝技术有限公司企业类型
有限责任公司(自然人投资或控股)信用代码
91310000MADKE9A70X法人代表
刘加杰注册地址
中国(上海)自由贸易试验区临港新片区新杨公路1588号4幢成立日期
2024-04-23注册资本
1000万元人民币有效期限
2024-04-23 至 2044-04-22经营范围
一般项目:技术服务、技术开发、技术咨询、技术交流、技术转让、技术推广;图文设计制作;计算机及办公设备维修;信息系统集成服务;软件开发;组织文化艺术交流活动;企业形象策划;会议及展览服务;摄影扩印服务;信息技术咨询服务;企业管理咨询;国内贸易代理;国内货物运输代理;机械设备销售;机械设备租赁;金属制品销售;建筑材料销售;通信设备销售;办公用品销售;五金产品零售;食用农产品零售;货物进出口;技术进出口。(除依法须经批准的项目外,凭营业执照依法自主开展经营活动)
400-810-0069转5024
HIC系列重型反击锤式破碎机由上海新山宝技术有限公司提供,产地为上海,属于国产破碎机,符合多项国家和国际标准,广泛应用于石油/化工、建材/涂料/油漆、矿业/冶金、综合其他等领域,HIC系列重型反击锤式破碎机凭借其创新性与实用性,在破碎机用户中获得广泛关注。
据中国粉体网显示:该产品已通过粉体网认证,在产品性能、服务能力等维度表现优异,用户平均评分达9.5(满分 10 分)。
根据新山宝官方产品资料显示:HIC系列重型反击锤式破碎机的粉碎程度为其他,装机功率(kw)为250*2,成品细度为0-80mm,入料粒度(mm)为≤800mm,工作原理为其他,HIC系列重型反击锤式破碎机的品牌为上海新山宝。
| 产品名称 | 品牌 | 型号 | 产地类型 | 价格 |
|---|---|---|---|---|
| PV系列颚式破碎机 | 上海新山宝 | PV系列颚式破碎机 | 国产 | 电议 |
| DYS 单缸液压圆锥破碎机 | 上海新山宝 | DY、DYS 单缸液压圆锥破碎机 | 国产 | 电议 |
| PEX 颚式破碎机系列 | 上海新山宝 | PEX 颚式破碎机系列 | 国产 | 电议 |
请拨打厂商400电话进行咨询
使用微信扫码拨号
