
长沙米淇仪器设备有限公司.
高级会员
已认证

长沙米淇仪器设备有限公司.
高级会员
已认证






点击留言,第一时间获取专属报价
米淇其它辅助设备
米淇FXD-30M
国产其它辅助设备
FXD-30M型三目倒置金相显微镜

中大型倒置金相显微镜,提供优越的图像质量和稳固可靠的机械结构。
● FXD-30M采用无限远光学系统及模块化功能设计。高眼点、超宽视野平场目镜视场直径Ф22mm。
● 适用于金相组织分析、表面形态结构的显微观察,半导体、FPD、电路板、金属材料、精密刀具等制造领域,适用于教学及研究方面。
● 标配明场物镜,高清晰度高*彩还原;根据工业和材料学的不同应用,通过模块化组合,实现明场、偏光等多种观察方式。
每一个人性化的细节设计,给您带来快捷、舒适的操作模式。
观察系统:铰链式三目,视度可调节,45°倾斜,可进行*像连接,对观察图像进行采集和保存,配置电脑和金相分析软件实现图像分析。
调焦系统:低手位粗微调同轴调焦机构,带有松紧调节装置和快速聚焦随机限位装置,粗调每转行程:38mm,微调精度:0.002mm
机械平台:机械式移动尺,行程120(X)*78(Y)mm可加装同轴低手位调节移动尺及载物台延伸板,拓展应用空间,满足不同要求客户的使用。
物 镜:配置优良的无限远长距平场消*差物镜,严格选用高透过率的镜片和先进的镀膜技术,能够真实还原样品的自然*彩。
![]() | ![]() | ![]() | ![]() | |||||||||
| 观察系统 | 调焦机构 | 机械平台 | 物镜 |
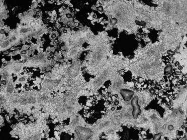
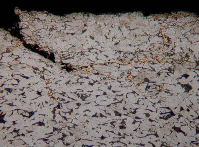
数码*像实拍效果图:
![]() | ![]() | ![]() | ![]() |
技术规格:
光学系统:无限远*差校正光学系统
观 察 头:铰链式三目头,45°倾斜,瞳距调节范围:54-75mm,单边视度调节±5屈光度分光比:双目100%,双目:三目=80%:20%
目 镜 : 高眼点、超宽视野平场目镜PL10X (Φ22mm)
无限远长距平场消*差物镜:LMPL5X /0.15 WD10.8mm
LMPL10X/0.3 WD10mm
LMPL20X/0.45 WD4mm
LMPL50X/0.55 WD7.8mm
物镜转换器 :内定位五孔转换器
调焦机构: 粗微调同轴,粗调每转行程:38mm,微调每转行程:0.2 mm,调焦精度:0.002mm,带松紧调节装置。
照明系统: 反射式柯拉照明器,带可变孔径光栏和中心可调视场光栏,自适应100V~240V宽电压,12V50W进口卤素灯,
中心可调,亮度连续可调
载物台 :载物台延伸板 金属载物台板(中心孔Φ12mm)
固定平台:尺寸160X250mm 机械式移动尺,行程120(X)*78(Y)mm
偏光附件:检偏镜可360度旋转,起偏镜和检偏镜均可移出光路
滤光片: 绿*、蓝*(Φ32mm)
选配件:
目 镜: 高眼点、超宽视野平场目镜PL10X/22mm,带十字分化尺
高眼点、超宽视野平场目镜PL10X/22mm,视度可调
高眼点、超宽视野平场目镜PL15X/16mm
物 镜:LMPL100X/0.80 WD2.1
软件配套:FMIA2021正版金相分析软件系统、500万*像装置、0.5X适配镜接口、高精度测微尺。
FXD-30M贴心的各项附件,满足您工业检测中多样化的个性需求。
部件图解:


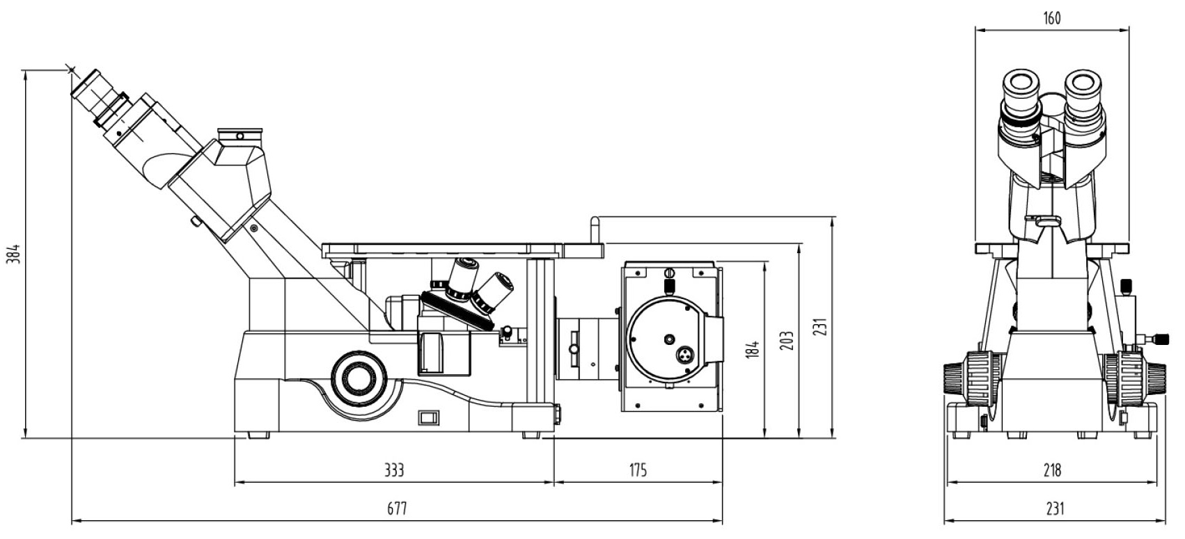
外形尺寸:

FXD-30M型三目倒置金相显微镜的工作原理介绍?
FXD-30M型三目倒置金相显微镜的使用方法?
FXD-30M型三目倒置金相显微镜多少钱一台?
FXD-30M型三目倒置金相显微镜的说明书有吗?
FXD-30M型三目倒置金相显微镜的报价含票含运费吗?
FXD-30M型三目倒置金相显微镜有现货吗?
FXD-30M型三目倒置金相显微镜是国产还是进口的?
有FXD-30M型三目倒置金相显微镜的详细技术参数吗?
FXD-30M型三目倒置金相显微镜可以应用在哪些领域?
0有办事机构吗?
0销售电话是多少?相关产品
更多
相关方案
更多
企业名称
长沙米淇仪器设备有限公司.企业类型
信用代码
9143010279912568X1法人代表
注册地址
成立日期
注册资本
有效期限

经营范围
400-810-0069转2723
FXD-30M型三目倒置金相显微镜由长沙米淇仪器设备有限公司.提供,产地为长沙,属于国产其它辅助设备,符合多项国家和国际标准,广泛应用于石油/化工、医药/生物、环保、矿业/冶金、能源等领域,FXD-30M型三目倒置金相显微镜凭借其创新性与实用性,在其它辅助设备用户中获得广泛关注。
据中国粉体网显示:该产品已通过粉体网认证,在产品性能、服务能力等维度表现优异,用户平均评分达9.5(满分 10 分)。
根据米淇官方产品资料显示:FXD-30M型三目倒置金相显微镜的功率(kw)为咨询客服,重量(kg)为咨询客服,规格外形(长*宽*高)为咨询客服,FXD-30M型三目倒置金相显微镜的价格为1万元以下,具体型号是FXD-30M,品牌为米淇。
| 产品名称 | 品牌 | 型号 | 产地类型 | 价格 |
|---|---|---|---|---|
| 压片机 | 米淇 | MJ-12 | 国产 | 1-5万元 |
| ZXQ-2S型自动金相试样镶嵌机 | 米淇 | ZXQ-2S | 国产 | 1万元以下 |
| FL8000系列三目正置金相显微镜 | 米淇 | FL8000 | 国产 | 1万元以下 |
请拨打厂商400电话进行咨询
使用微信扫码拨号
