
珠海市长陆工业自动控制系统股份有限公司
3 年
白金会员
白金会员
已认证
400-810-0069转7768
获取底价
提交后,商家将派代表为您专人服务

珠海市长陆工业自动控制系统股份有限公司
白金会员
已认证






点击留言,第一时间获取专属报价
长陆智造料位计
长陆智造重锤式料位计
国产料位计

适用于几乎所有的散装物料,完全不受以下因素影响:
◆ 介质和传导性散装物料
◆ 料仓内灰尘
◆ 受潮变质散装物料
◆ 粘性物料
◆ 料仓顶部无机械压力,传感器只接触散装物料表面
◆ 安装和试运车非常简单
◆ 高技术测量法,操作简便
◆ 测量精度高
◆ 输出量0/4-20mA
◆ 许可用于危险区域10级(易爆、易燃粉尘)
◆ 微处理器控制,智能监控测量
◆ 内部带式清晰适用于特别难测的物料(带式版本)
◆ 不同的重量感应,适用多种运用
◆ 结实的外壳防护等级 IP 66
◆ 内置有加热温控装置,可用于极低温度(-35℃),防止电气室产生冷凝水
应用领域:
可持续测量在料仓内的几乎所有的散装物料。
应用图




重锤式料位计的工作原理介绍?
重锤式料位计的使用方法?
重锤式料位计多少钱一台?
重锤式料位计的说明书有吗?
重锤式料位计的报价含票含运费吗?
重锤式料位计有现货吗?
重锤式料位计是国产还是进口的?
有重锤式料位计的详细技术参数吗?
重锤式料位计可以应用在哪些领域?
0有办事机构吗?
0销售电话是多少?
企业名称
珠海市长陆工业自动控制系统股份有限公司企业类型
股份有限公司(非上市、自然人投资或控股)信用代码
9144040075922654XF法人代表
何晓东注册地址
珠海市金湾区红旗镇金粮路3号成立日期
2004-03-10注册资本
2,135万(元)有效期限
2004-03-10 至 无固定期限经营范围
仪器仪表、工业计量衡器、工业(含重型)机械装备、计算机软件和工业自动化控制软件、计算机系统集成、自动化设备以及高、低压成套开关设备的设计、生产、研发及销售;工业电气与自动化系统项目的设计、生产、研发与集成供货和安装调试及工程咨询服务;普通机械、电子产品、化工产品(不含化学危险品及易制毒化学品)、五金交电、建材的批发;
400-810-0069转7768
重锤式料位计由珠海市长陆工业自动控制系统股份有限公司提供,产地为广东,属于国产料位计,符合多项国家和国际标准,广泛应用于综合其他等领域,重锤式料位计凭借其创新性与实用性,在料位计用户中获得广泛关注。
据中国粉体网显示:该产品已通过粉体网认证,在产品性能、服务能力等维度表现优异,用户平均评分达9.5(满分 10 分)。
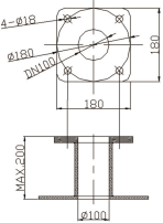
根据长陆智造官方产品资料显示:重锤式料位计的料位计类型为其他,输出信号为其他,工作原理为其他,重锤式料位计的品牌为长陆智造。
| 产品名称 | 品牌 | 型号 | 产地类型 | 价格 |
|---|---|---|---|---|
| 电位尺料位计 | 长陆智造 | 电位尺料位计 | 国产 | 电议 |
| 激光物位计 | 长陆智造 | 激光物位计 | 国产 | 电议 |
| 雷达液位计 | 长陆智造 | LV | 国产 | 电议 |
请拨打厂商400电话进行咨询
使用微信扫码拨号
