
常州市森茂机械设备有限公司
钻石会员
已认证

常州市森茂机械设备有限公司
钻石会员
已认证

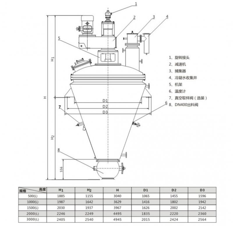
内加热螺带锥形真空干燥机
一、概述:
内加热螺带锥形真空干燥机是一种利用螺带将物料旋转提升及圆锥夹套、空心螺带内同时通入传热介质(如热水、导热油、蒸汽等),使加热后物料从四周提升并从中间下落,快速不断的循环翻转,并通过筒体内抽真空将水汽及时带走, 使物料在短时间内达到干燥和混合目的。与传统的立式混合机相比,筒体内无任何传动机构,从根本上杜绝因润滑油泄漏而导致物料污染,运行可靠稳定,特别适宜卫生要求高的粉料、颗粒混合;同时也适用于粘性流体或稠状、湿状为主物料的搅拌混合;与其它卧式干燥机相比,具有出料方便,可以100%完全出料,操作、维修方便。它的干燥效率是同等规格“双锥回转真空干燥机”3-5倍。
二、特点:
◆该机由减速机直接驱动搅拌器旋转。
◆适用范围广,可用于粉体与粉体、粉体与液体的混合,也可用作反应设备、干燥设备。
◆可根据用户要求加喷淋装置,从而在物料中喷入适量液体。
◆可根据工艺需要调节转速,当转速较低时,其干燥作用占主导地位;当转速较高时。其混合作用占主导地位,因此通过选用此设备,可以将原先需要二种设备才能达到目的,现在可以合二为一,节省成本。
一、 应用
真空接触式低温干燥方式
混合/干燥
加热/冷却
蒸馏/结晶/干燥
混合/包衣和液体注入
二、规格:500L 1000L 1500L 2000L 3000l
三、多用途
锥形螺带真空混合/干燥机可以在许多领域得到应用;特别适用于密闭和可控制环境下的工艺处理,如制药化工领域以及添加物,在空气或高温下不稳定的提取物结晶体和各种医药生物工艺,诚信公司的多用途锥形螺带真空混合/干燥机设备是解决您生产需要的理想选择。
四、高效能真空干燥
锥形螺带真空混合/干燥机是集混合、干燥及蒸馏为一体的多功能设备,采用全密闭GMP清洁设计,它的干燥效率是同等规格(双锥回转真空干燥机)的3-5倍,装料量是(双锥回转真空干燥机)的2倍,相对效能提高6-10倍。螺带搅拌器可使物料实现自下而上螺旋循环的搅拌效果,能得到高效的传热特性,物料装填率在30%-100%情况下工作,可得到100%的加热面积的利用效率。它是节能、高效、环保清洁的新型干燥设备。
五、高混合精度
可以达到较高的混合精度。即使在同批产品中混合不同密度和不同颗粒形状的物料,也可以在锥形混合机中达到所需的混合精度。在大批物料中添加很少量的物料这样苛刻的工艺条件下,也可以在诚信公司锥形螺带真空混合/干燥机内**混合。
六、低剪切力螺带搅拌
采用低剪切力的螺带搅拌桨,在低转速低能量消耗下轻柔混合物料。混合的强度和混合时间都较低。
七、适用粘性物料
在搅拌时物料颗粒间产生的摩擦力和压力的作用下,即使是粘性较强的物料,也可以分离并有效混合。
八、不同的物料装填率
锥形螺带混合/干燥机装填率为有效工作容积的30%—100%,在此范围内不同装料量的混合和干燥都可以得到一致的结果。
九、密封清洁设计
锥形螺带真空混合/干燥机本身是全密闭设计,所有的连接部件包括进料和排料都是固定的,能满足物料和环境安全要求。
十、大口径球截面排料阀(图1)
真实的球截面阀
粉体、液体和气体密封
偏心轴结构、密封面无摩擦
无阻碍,在直径方向全部打开
卫生型和GMP规范设计、无死区、无残余物料、易清洗
结构的标准材料是SUS316、SUS304不锈钢
结构无铸造零件,不存在气孔和缩孔缺陷
密闭的轴承室
标准的表面处理,内部Ra0.4μm,外部Ra0.8μm
设计可用于全真空和0.25Mpa压力
设计可通入氮气,有利于真空干燥和消除搅拌死角
设计可通入清洗液,对阀体内部进行清洗
设计可安装过滤器,防止出料时排出粉尘
十一、真空取样阀(图2)
真空取样阀直接与螺带内加热锥形真空干燥机连接,无任何死角,避免取样样品被污染。取样阀**工作压力0.8Mpa,全真空,工作温度150度。












内加热螺带锥形真空干燥机的工作原理介绍?
内加热螺带锥形真空干燥机的使用方法?
内加热螺带锥形真空干燥机多少钱一台?
内加热螺带锥形真空干燥机使用的注意事项
内加热螺带锥形真空干燥机的说明书有吗?
内加热螺带锥形真空干燥机的操作规程有吗?
内加热螺带锥形真空干燥机的报价含票含运费吗?
内加热螺带锥形真空干燥机有现货吗?
内加热螺带锥形真空干燥机包安装吗?相关产品
更多
企业名称
常州市森茂机械设备有限公司企业类型
有限责任公司(自然人投资或控股)信用代码
91320402MA1W5HK920法人代表
汤产法注册地址
常州市天宁区郑陆镇舜南村成立日期
2018-03-06注册资本
1,080万(元)有效期限
2018-03-06 至 无固定期限经营范围
干燥设备、制粒设备、混合设备的研发、制造、销售;机械零部件制造、加工;自营和代理各类商品及技术的进出口业务,但国家限定企业经营或禁止进出口的商品和技术除外。(依法须经批准的项目,经相关部门批准后方可开展经营活动)
400-810-0069转6577
虚拟号将在 秒后失效
使用微信扫码拨号
