认证信息
认 证:工商信息已核实
访问量:348894
手机网站
扫一扫,手机访问更轻松
产品分类
产品简介
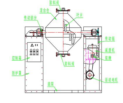
多年来我公司在延用自己的技术基础上不断借鉴国内外同行业生产厂家的先进技术与管理方法,专业制造出:混料机、搅拌球磨机、循环式搅拌球磨机、搅拌磨、升降式搅拌磨、立式搅拌磨、磨卧式球磨机、卧式搅拌球磨机、搅拌机、压滤机、V型混料机、锥形混合机、W型双锥混合机、双螺旋锥形混合机、喷雾干燥机、振动筛、除尘设备等一系列性能**,价廉物美的系列产品,广泛应用在太阳能EVA胶膜、钴酸锂、锰酸锂、磷酸铁锂、电子陶瓷、磁性材料、结构陶瓷、陶瓷电容器,氧化铝陶瓷,介质陶瓷、耐火材料、荧光粉、非金属矿产、磨料、化工、冶金、稀土磁性材料、催化剂、塑料、农药、医药、电池材料、金属粉末、颜料、涂料、粉煤灰、食品添加剂、冶金等各粉体行业等领域。无论是应用于高硬度物料(碳化硅、刚玉、石榴石,氧化锆、锆英砂、电气石)、还是轻质物料——二氧化硅消光剂,亦或是惰性气体保护下的物料(镁粉、铝粉、钕铁硼、钕铁氮等)。同时本厂可根据客户使用与现场安装的需要设计、制造特殊规格的上述设备。
针对不同的物料、不同的产量,采用不同的混合方式,欢迎您提要求,我们专业为您选型定制。




- 推荐产品
- 供应产品
- 产品分类



